bridge style terminal block distribution box application
- Model:
- WL-022/5
- Type:
- Screw
- Material:
- Brass
- Application:
- Wire Connecting
- Rated Voltage:
- 250V-450V
- Conductor Size:
- 5 - 10 AWG
- Color:
- White
Bridge style terminal block distribution box application
Material
- PA, Polyamide 66, 94-2 grade. Inflaming retarding. Working Temperature: -30°C to 110°C
- ABS, good resist dissolve, good bounce impact fore. Working Temperature: -20°C to 70°C
- Brass, screw: iron plated zinc
- Voltage: 250V-450V
- Color: according sample picture or customized
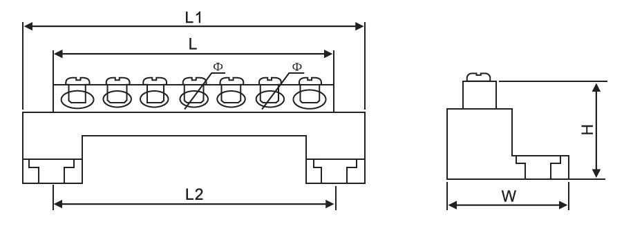
Specifications
| Way | Spec. | L | L1 | L2 | H | W | Φ | Screw Size | Plastic Setting | 
| W*h | mm | ||||||||
| 5 | 7*11 | 42.5 | 73 | 60 | 37 | 26 | 6.5(2*7) | M5*8 | ABS.PE | 
| 7 | 7*11 | 58.5 | 73 | 60 | 37 | 26 | 6.5(2*7) | M5*8 | ABS.PE | 
| 10 | 7*11 | 82.5 | 103 | 90 | 37 | 26 | 6.5(2*7) | M5*8 | ABS.PE | 
Drawing:

 
                     
                    



 
                